Relais De Temporisation Multifonction Eaton 400VAC 0.05s-100h - 031887
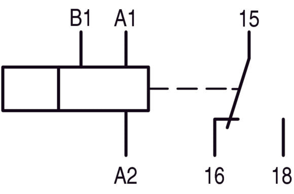
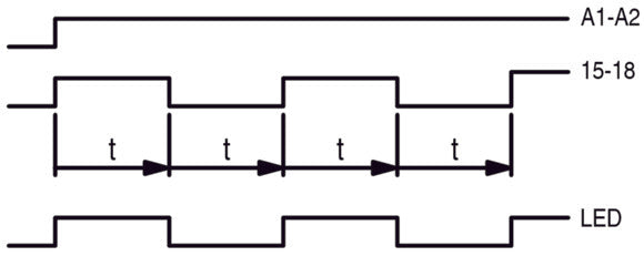
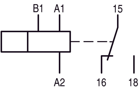
Relais de temporisation électronique de qualité industrielle conçu selon les normes IEC/EN 61812-1 et VDE 0435. Dispose d'un profil compact de 22,5 mm de large avec compatibilité pour fixation sur rail DIN. Offre une large plage de temps de 0,05s à 100h avec une durée de vie mécanique de 30 millions de cycles. Fonctionne à 400VAC avec des capacités multifonctionnelles et une orientation de montage flexible.
- Prix normal
- €196,02
- Prix normal
- €163,35
Description
Relais de temporisation électronique de qualité industrielle conçu selon les normes IEC/EN 61812-1 et VDE 0435. Dispose d'un profil compact de 22,5 mm de large avec compatibilité pour fixation sur rail DIN. Offre une large plage de temps de 0,05s à 100h avec une durée de vie mécanique de 30 millions de cycles. Fonctionne à 400VAC avec des capacités multifonctionnelles et une orientation de montage flexible.
Avantages :
- Plage de temps étendue de 0,05s à 100h
- Durée de vie mécanique de 30 millions de cycles
- Largeur compacte de 22,5 mm pour une installation efficace en espace
- Capacités d'orientation de montage flexibles



