Interrupteur de mouvement BEG Luxomat (complet) - 92591
Beg Luxomat DALI Master détecteur de mouvement (complet), blanc, diamètre 117mm, autres, type de détecteur de présence, Degré de protection (IP) IP20, hauteur de montage optimale 2.5m, adapté au montage au plafond, transducteur type infrarouge passif, portée frontale max. Portée frontale 8m, avec interface DALI.
- Prix normal
- €252,74
- Prix normal
- €210,62
Description
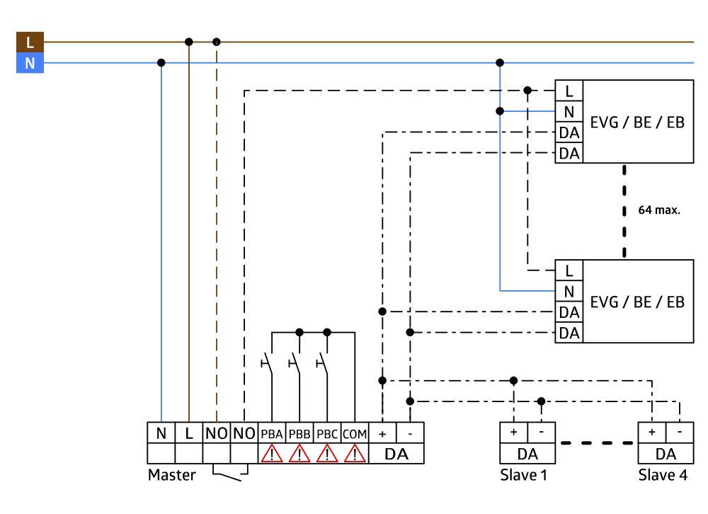
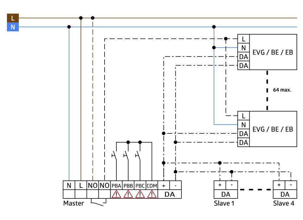
Solution DALI flexible spécialement conçue pour les salles de réunion et les salles de classe. Détecteur de présence extrêmement sensible qui peut adresser jusqu'à 64 ballasts DALI et les contrôler en les répartissant sur un maximum de 4 groupes.
Mise en service rapide à l'aide d'une application pour smartphone/tablette (Android, iOS) - aucun outil PC n'est nécessaire. Relais de commutation puissant pour différents modes de fonctionnement, par exemple :
- une fonction de coupure pour les ballasts DALI
- Installation CVC
- éclairage du tableau noir
- éclairage d'ambiance, etc.
Il est possible d'effectuer une commutation ou une gradation manuelle à l'aide de boutons-poussoirs conventionnels. Il est possible d'étendre la plage de détection avec un maximum de 4 détecteurs esclaves PD4-S-DAA4G. La fonctionnalité complète ne peut être activée qu'avec le B.E.G. ou l'adaptateur BLE-IR et un smartphone ou une tablette (Android, iOS). Capteur de lumière externe, pivotant à 45 °.
Éviter les pertes en mode veille du système d'éclairage conformément à la norme DIN V 18599-4 sur les économies d'énergie.



