G1/4'' 24V DC 5/2-Way Bi-stable Electrovanne NAMUR 1.5-8bar MVSN
Electrovanne pneumatique 5/2 de Mindman avec ports G1/4" (filetage femelle), configuration Namur 1/4" (VDI/VDE 3845), ports d'échappement G1/8" et bobines 24V DC. La valve est bi-stable. Exploitation indirecte (pilotée en interne). Les applications comprennent la commande d'un vérin à double effet ou d'un actionneur pneumatique. Pression de fonctionnement 2-8 bar. Air moyen, ne convient pas pour les autres médias ou le vide. Avec commande manuelle de secours. Peut être monté sur le collecteur avec l'alimentation/évacuation d'air central. Temps de réponse 0.038s, valeur Kv 0.8 Nm3/h (862 Nl/min).
Bobine et connecteur DIN-B inclus- Prix normal
- €39,76
- Prix normal
- €33,13
Description
Electrovanne pneumatique de haute qualite de Mindman. Cette vanne est à 5/2 voies et bi-stable (2 bobines). La vanne est dotee de ports G1/4" (filetage BSPP). La tension de la bobine est de 24V DC et la puissance est de 4,9VA. Veuillez noter que les orifices d'echappement ont des filetages G1/8", ils sont plus petits que les autres orifices. La vanne ne peut fonctionner qu''avec de l''air comprime (filtre jusqu''à 5 μm) qui n''a pas besoin d''être lubrifie. La pression de fonctionnement est de 2 à 8 bars. Cette vanne a une configuration Namur, ce qui lui permet d'être montee directement sur un actionneur pneumatique sans connexion de tuyau. Le temps de reponse est de 0,038 s. Valeur Kv 0,8 (862Nl/min). Cette vanne est equipee d'une commande manuelle.
Une vanne à 5/2 voies a cinq orifices et deux etats. Deux orifices (A et B) sont relies à l'appareil, par exemple un verin à double effet. Un port est utilise pour fournir de l'air sous pression (port P), les deux autres ports sont des echappements (ports S et R) et sont connectes respectivement aux ports B et A. En changeant d'etat, soit le port A est pressurise et le port B ventile, soit le port A est ventile et le port B pressurise. Si le distributeur est utilise pour commander un verin à double effet, un etat du distributeur est utilise pour deplacer le verin dans un sens, et l'autre etat est utilise pour deplacer le verin dans le sens oppose.Ce distributeur est à double effet, ce qui signifie que l'electrovanne est commandee par deux solenoïdes. Les solenoïdes fonctionnent par impulsions et peuvent commander chacun un etat de la vanne. Si les deux solenoïdes ne sont pas actives, la vanne reste dans le dernier etat. Par consequent, la valve est bi-stable.
Mindman est un fabricant international de composants pneumatiques de haute qualite dont la production principale se situe à Taiwan. Avec une histoire de production riche, une gamme très large et une production rentable de produits de haute qualite, ils sont l'un des veritables leaders du marche de l'industrie pneumatique.
Principaux avantages
- Faible resistance à l'ecoulement (Kv=0.8m3/h)
- Un fonctionnement rapide et fiable
- Longue duree de vie (12.000.000+ cycles)
- Faible consommation d'energie (4,9VA)
- Conception sans entretien
- La bobine peut être installee dans quatre directions (4 x 90°)
- Conçu pour le montage sur collecteur
Remarques importantes
- Uniquement pour l'air (propre), pas pour les autres medias ou le vide.
- Une pression minimale de 2 bar est necessaire pour un bon fonctionnement (vanne pilotee).
- N'appliquez aucune tension à la bobine lorsque celle-ci est retiree de la valve afin d'eviter les brûlures.
- Ne jamais depasser les limites de la valve (pression, temperature, tension, media, etc.).
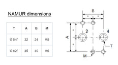
Configuration de Namur
Namur (VDI/VDE 3845) definit une interface standard entre les distributeurs pneumatiques et les actionneurs. L'electrovanne est equipee de deux joints toriques pour creer une connexion etanche entre la vanne et l'actionneur. L'electrovanne peut être tournee de 180 degres, ce qui determine si l'actionneur est pressurise ou ventile lorsque le solenoïde est active. L'illustration ci-dessous montre les dimensions de la connexion pour G1/4" comme pour G1/2".
| T | A | B | M |
|---|---|---|---|
| G1/4" | 32 | 24 | M5 |
| G1/2" | 45 | 40 | M6 |
Dans la boîte
- Electrovanne (type MVSN-220-4E2-8A-DC24)



