G1/4'' 24V DC 5/2 voies NAMUR Electrovanne 1.5-8bar MVSN
Electrovanne pneumatique 5/2 de Mindman avec orifices G1/4" (filetage femelle), configuration Namur 1/4" (VDI/VDE 3845), orifices d'échappement G1/8" et bobine 24V DC. La valve est mono-stable (retour par ressort). Exploitation indirecte (pilotage interne). Les applications comprennent la commande d'un cylindre à double effet ou d'un actionneur pneumatique. Pression de fonctionnement 2-8 bar. Air moyen, ne convient pas pour d'autres milieux ou pour le vide. Avec commande manuelle. Peut être monté sur un collecteur avec une alimentation centrale en air/un évent. Temps de réponse 0,038s, valeur Kv 0,8 Nm3/h(862 Nl/min).
Bobine et connecteur DIN-B inclus- Prix normal
- €26,59
- Prix normal
- €22,16
Description
Électrovanne pneumatique de haute qualite de Mindman. Ce distributeur est à 5/2 voies et mono-stable (1 bobine). La vanne est dotee d'orifices G1/4" (filetage BSPP). La tension de la bobine est de 24V DC et la puissance est de 4,9VA. Veuillez noter que les orifices d'echappement ont des filets G1/8", ils sont plus petits que les autres orifices. La valve ne peut être utilisee qu''avec de l''air comprime (filtre jusqu''à 5 μm) qui n''a pas besoin d''être lubrifie. La pression de fonctionnement est comprise entre 2 et 8 bars. Cette vanne a une configuration Namur, ce qui lui permet d'être montee directement sur un actionneur pneumatique sans connexion de tuyau. Le temps de reponse est de 0,038 s. Valeur Kv 0,8 (862Nl/min). Cette vanne est equipee d'une commande manuelle.
Un distributeur 5/2 possède cinq orifices et deux etats. Deux orifices (A et B) sont relies à l'appareil, par exemple un cylindre à double effet. Un port est utilise pour fournir de l'air sous pression (port P), les deux ports restants sont des echappements (ports S et R) et sont connectes respectivement aux ports B et A. En changeant d'etat, soit le port A est pressurise et le port B ventile, soit le port A est ventile et le port B pressurise. Si le distributeur est utilise pour commander un verin à double effet, un etat du distributeur est utilise pour deplacer le verin dans une direction, et l'autre etat est utilise pour deplacer le verin dans la direction opposee.Ce distributeur est à simple effet, ce qui signifie que le distributeur est commande par un solenoïde et revient à la position de repos au moyen d'un ressort. Si le solenoïde n'est pas active, la vanne revient en position de repos (quadrant droit).
Mindman est un fabricant international de composants pneumatiques de haute qualite dont la production principale se situe à Taïwan. Avec une riche histoire de production, une gamme très etendue et une production rentable de produits de haute qualite, elle est l'un des veritables leaders du marche de l'industrie pneumatique.
Principaux avantages
- Faible resistance à l'ecoulement (Kv=0,8m3/h)
- Fonctionnement rapide et fiable
- Longue duree de vie (12 000 000+ cycles)
- Faible consommation d'energie (4,9VA)
- Conception sans entretien
- La bobine peut être installee dans quatre directions (4 x 90°)
- Conçu pour un montage sur collecteur
Remarques importantes
- Uniquement pour l'air (propre), pas pour d'autres fluides ou le vide.
- Une pression minimale de 2 bars est necessaire pour un bon fonctionnement (vanne pilotee).
- Ne pas appliquer de tension à la bobine lorsqu'elle est retiree de la valve afin d'eviter les brûlures.
- Ne jamais depasser les limites de la vanne (pression, temperature, tension, fluide, etc.).
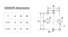
Configuration de Namur
Namur (VDI/VDE 3845) definit une interface standard entre les distributeurs pneumatiques et les actionneurs. L'electrovanne est equipee de deux joints toriques qui assurent l'etancheite entre la vanne et l'actionneur. L'electrovanne peut être tournee de 180 degres, ce qui determine si l'actionneur est pressurise ou ventile lorsque l'electrovanne est activee.
Dans la boîte
- Électrovanne (type MVSN-220-4E1-8A-DC24)



