Vanne papillon electrique DN80 (3 inch) 230VAC GG25-fonte-NBR - BFLW
Avis : Ce produit est discontinué, une possible alternative est BFLW-80-BAA-AG4-230AC
Cette vanne papillon à commande électrique est idéale pour le contrôle du débit tout ou rien. L'actionneur est adapté aux alimentations de 100 à 240 volts CA. L'actionneur est certifié IP67 et est équipé d'une commande manuelle. La vanne papillon a un diamètre nominal de 80 mm (3 pouce), convient pour des températures de fluide comprises entre 5°C et 85°C, et une pression maximale de 16 bars. Se raccorde facilement à votre tuyauterie grâce à une bride de type wafer.
Avis : Ce produit est discontinué, une possible alternative est BFLW-80-BAA-AG4-230AC
Description
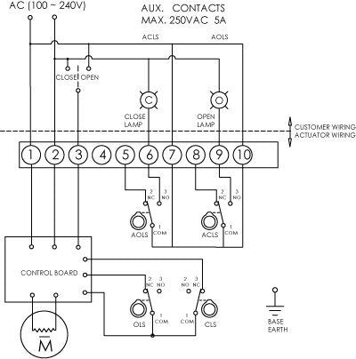
Cette vanne papillon à commande electrique est une solution robuste et durable pour la commande marche/arrêt à distance. La vanne papillon est composee d'un corps en fonte, d'un disque en fonte et d'un joint NBR. L'actionneur necessite 100 à 240 volts AC et genère un couple d'ouverture de 40 Nm pour faire pivoter la vanne de 0 à 90 degres en 8 secondes. Le courant nominal en cours de fonctionnement est de 0,1 ampère (courant de crête de 0,2A). La vanne a une commande à 3 points : outre les deux contacts pour l'alimentation (plus et moins), il y a un signal pour l'ouverture (moins) et un signal pour la fermeture (moins). La vanne papillon est dotee d'une bride de type wafer pour le raccordement à la tuyauterie, d'un diamètre nominal de DN 80 (3 pouces) et d'une capacite maximale de 16 bars pour les fluides non dangereux. Veuillez noter que la pression maximale peut varier en fonction du type de fluide, verifiez donc attentivement la fiche technique. La vanne papillon est equipee d'un disque revêtu de polyamide GGG40, qui est l'option standard. Le joint NBR de la valve permet une plage de temperature de 5°C à 85°C. L'actionneur est dote d'un boîtier robuste et compact en fonte (revêtement en poudre) et resiste à la poussière et à l'humidite (certifie IP67), à condition qu'un câble de taille appropriee soit correctement installe. L'actionneur est dote d'une fonction d'annulation manuelle et d'un indicateur de position sur le dessus. L'actionneur est monte sur la vanne papillon via la bride ISO 5211 F05 (11 mm).
Pour :
- Pas de risque de coup de belier en raison de la lenteur de la fermeture (7 s).
- Les composants sont interchangeables et peuvent être remplaces individuellement si necessaire.
- Il ne consomme de l'energie que pendant le mouvement et non pour maintenir l'ouverture ou la fermeture.
- Valeur Kv elevee car le fluide s'ecoule en ligne droite.
- Sa longueur de construction est faible pour un diamètre DN 80 (3 pouces) par rapport à un robinet à boisseau spherique de même diamètre.
- Il peut être utilise pour un large eventail de fluides et de gaz.
- Convient aux milieux visqueux.
Cons :
- En cas de panne de courant, il n'est pas possible de l'utiliser à distance. Toutefois, il existe une fonction de neutralisation manuelle.
- Par rapport aux robinets à tournant spherique, le robinet n'a pas une voie d'ecoulement totalement degagee en raison du disque.
- Ne peut être monte qu'avec une bride de type wafer, qui ne peut pas être utilisee en fin de ligne.
BFL - Serie AG
BFL
Les vannes papillon de la serie BFL constituent une solution très economique pour les operations de marche/arrêt ainsi que pour la modulation du debit. Actionnes manuellement par un levier de serrage avec cran d'arrêt ou par une roue dentee manuelle, ils sont faciles à utiliser. Convient pour des pressions de 4 à 16 bars en fonction de la taille du diamètre (25 à 300 mm), du fluide et de la combinaison de materiaux. Enlever le levier de serrage ou le volant pour creer une bride ISO 5211 (taille F05 à F12). Il presente une faible longueur constructive par rapport au diamètre et peut être installe à l'aide d'une bride de type lug ou wafer. Il existe egalement une large gamme d'options pour le boîtier, le disque et les materiaux d'etancheite permettant d'obtenir ces vannes papillon. Ils peuvent être utilises pour les liquides et les gaz dans des applications avec une large gamme de temperatures. Certains modèles peuvent egalement être utilises pour l'eau potable (agrement DVGW).
AG
Les actionneurs electriques AG quart de tour (90⁰) vous permettent de commander des vannes papillon ou des vannes à boisseau spherique à l'aide de l'electricite. Ils sont faciles à installer et à câbler, ce qui permet une integration rapide dans votre système d'automatisation. Ils ont une bride ISO-5211 de type F03, F04 ou F05 avec un carre d'arbre de 14 mm. Le couple maximal est de 40 Nm (ouverture en 8 secondes) ou un couple plus petit de 20 Nm (ouverture en 4 secondes) et ils peuvent fonctionner sur une large gamme de tensions disponibles. Ils sont dotes d'un boîtier compact en aluminium (revêtement en poudre) et sont conformes à la norme IP67. Ils sont dotes d'une fonction d'annulation manuelle et d'un indicateur de position sur le dessus pour indiquer la position de la vanne.
Pièces de rechange
Vous trouverez ci-dessous une liste des pièces de rechange pour cet appareil en cas de besoin. Il suffit d'utiliser le numero SKU dans notre barre de recherche pour trouver la pièce appropriee.Vanne papillon : BFLW-80-16-AAB
Actionneur : AG-040-A
Remarque : Ce produit est livre en pièces detachees, mais avec les accessoires de montage necessaires.



